Le circuit hydraulique sur toutes engins

Avatar de l’utilisateur
Fred21
Messages : 5236
Inscription : ven. 8 févr. 2019 08:44
Localisation : Montigny sur Vingeanne

Le circuit hydraulique sur toutes engins

Message par Fred21 »

schema_hydraulique_exo - Copie.png
schema_hydraulique_exo - Copie.png (42.93 Kio) Consulté 4858 fois
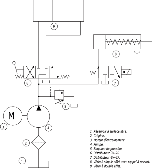
Au niveau du distributeur, :
*la position du milieu est la phase à l'arrêt ou aucun mouvement de la machine
* En A l'huile passe dans le sens de la flèche , alimente la grande chambre du vérin et fait sortir la tige, en même temps l'huile de la petite chambre sort et redescend vers le réservoir.
En B c'est l'inverse, on alimente la petite chambre et l'huile de la grande chambre retourne au réservoir.
En aucun la grande chambre et la petite l'huile se mélange , elle est séparé par le piston dans le vérin.

J'espère que vous comprendrez mieux avec ce petit encas les amis.
Formé pour construire Ex EATP ;)
Avatar de l’utilisateur
Fred21
Messages : 5236
Inscription : ven. 8 févr. 2019 08:44
Localisation : Montigny sur Vingeanne

Re: Le circuit hydraulique sur toutes engins

Message par Fred21 »

Schéma avec vérin simple effet et double effet
130376.gif
130376.gif (20.22 Kio) Consulté 4855 fois
Pour le simple effet c'est le poids qui fait decendre la charge donc pas la pompe hydraulique comme pour les semis bennes de camions
Formé pour construire Ex EATP ;)
Avatar de l’utilisateur
simtrex
Messages : 5260
Inscription : sam. 8 sept. 2018 18:00

Re: Le circuit hydraulique sur toutes engins

Message par simtrex »

Si je comprend bien, le levier de commande du vérin agit comme un by-pass !
Dans ton schéma 2 il y a 2 vérins, qu'elle est la fonction de celui à ressort ? :PDT_lam:
Avatar de l’utilisateur
Fred21
Messages : 5236
Inscription : ven. 8 févr. 2019 08:44
Localisation : Montigny sur Vingeanne

Re: Le circuit hydraulique sur toutes engins

Message par Fred21 »

simtrex a écrit :Si je comprend bien, le levier de commande du vérin agit comme un by-pass !
Dans ton schéma 2 il y a 2 vérins, qu'elle est la fonction de celui à ressort ? :PDT_lam:
Celui qui a le ressort sait le vérin simple effet, on envoie pas d'huile dans la petite chambre, c'est le poids de l'élément qui agit seulement sur sa descente. Le ressort sert à une descente progressive de la masse.
Formé pour construire Ex EATP ;)
Avatar de l’utilisateur
Daventry
Messages : 2507
Inscription : dim. 10 févr. 2019 01:10
Localisation : Branne (33)
Contact :

Re: Le circuit hydraulique sur toutes engins

Message par Daventry »

Fred21 a écrit : En aucun la grande chambre et la petite l'huile se mélange , elle est séparé par le piston dans le vérin.
Effectivement, et parfois sur certaines machines équipées de clapet anti retour (en gris sur la photo), l’huile d’une chambre passe directement dans l’autre afin de gagner en temps. (Grace au flexible noir le long du vérin)
A00DD9EC-500C-47D4-9AAB-079F7FEF7AC8.jpeg
A00DD9EC-500C-47D4-9AAB-079F7FEF7AC8.jpeg (173.02 Kio) Consulté 4818 fois
Et bien d'autres échelles sur http://www.facebook.com/minimax.miniatures
Répondre